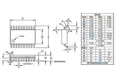
74HC257D,653, SO-16, КП11

Под заказ
Товар добавлен
Перейти в корзину

Цена от: 20.42 ₽

от 1 до 53 шт.
28.75/шт.
от 54 до 106 шт.
25.90/шт.
от 107 до 213 шт.
23.64/шт.
от 214 до 427 шт.
21.80/шт.
от 428 шт.
20.42/шт.
-
13
+
В наличии: 0 шт.
1 шт.

Характеристики

Вес 0.90 гр.

Отправь заявку с этой формы и получи скидку на заказ!

Быстрый заказ на позицию '74HC257D,653, SO-16, КП11' или по Вашему списку потребностей:


Текст запроса в магазин электроники Битран:


Артикул: 8895398
Производитель: manuf_logo
Документация

О доставке
Доставка в
Россия
Срок: от 3-х дней
Стоимость: от 150 руб.
Условия доставки
Похожие товары